产品中心
PRODUCT
0577-86551238
切换电容接触器您的位置:首页 > 产品中心> 切换电容接触器
CJ19型切换电容器接触器
CJ19(16) 型切换电容器接触器是用于通断低压并联电容器的专用接触器 , 广泛用于无功功率自动补偿设备中 , 适用于交流频率为 50Hz额定工作电压至 380V 的电力系统中 , 以提高功率因数 , 改善电网质量。
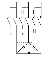
如图虚线以上为通断电容器电路的原理图 , 虚线以下为并联电容器组 , 串接电阻的提前接通触头为电阻切合电路 , 当接触器的电磁线圈通电时 , 电阻切合电路提前接通 , 电流经过电阻向电容器充电 , 电阻抑制了电容器合闸涌流 , 随后主触头闭合承载了电容电流。